PARTNER PROFESIONALDALAM DESIGN SYSTEM KELISTRIKAN
Pengalaman sejak 2023 , DenkiWorks Engineering memberikan layanan design system kelistrikan dengan professional untuk lingkungan residensial , komersial , Industri & lingkungan Pendidikan . Kelancaran project dan kepuasan klien adalah prioritas kami.

DenkiWorks Engineering penyedia jasa design system kelistrikan dengan profesional untuk lingkungan residensial, komersial, industri dan lingkungan pendidikan.

Penawaran terbaik dengan kualitas terjamin.
PUIL, SPLN, IEC, ANSI.
Garansi produk free revisi sampai serah terima project
Layanan design system kelistrikan untuk semua sektor
Dari analisa sistem kelistrikan , Drawing electrical , MEP , Lighting analisis dan juga RAB & BOQ support untuk pelanggan sektor Residensial , Komersial , Industri maupun Pendidikan

Daftar Layanan
PILIH LAYANAN SESUAI DENGAN KEBUTUHAN
Kami menaawarkan layanan design system kelistrikan dengan berbagai macam layanan.

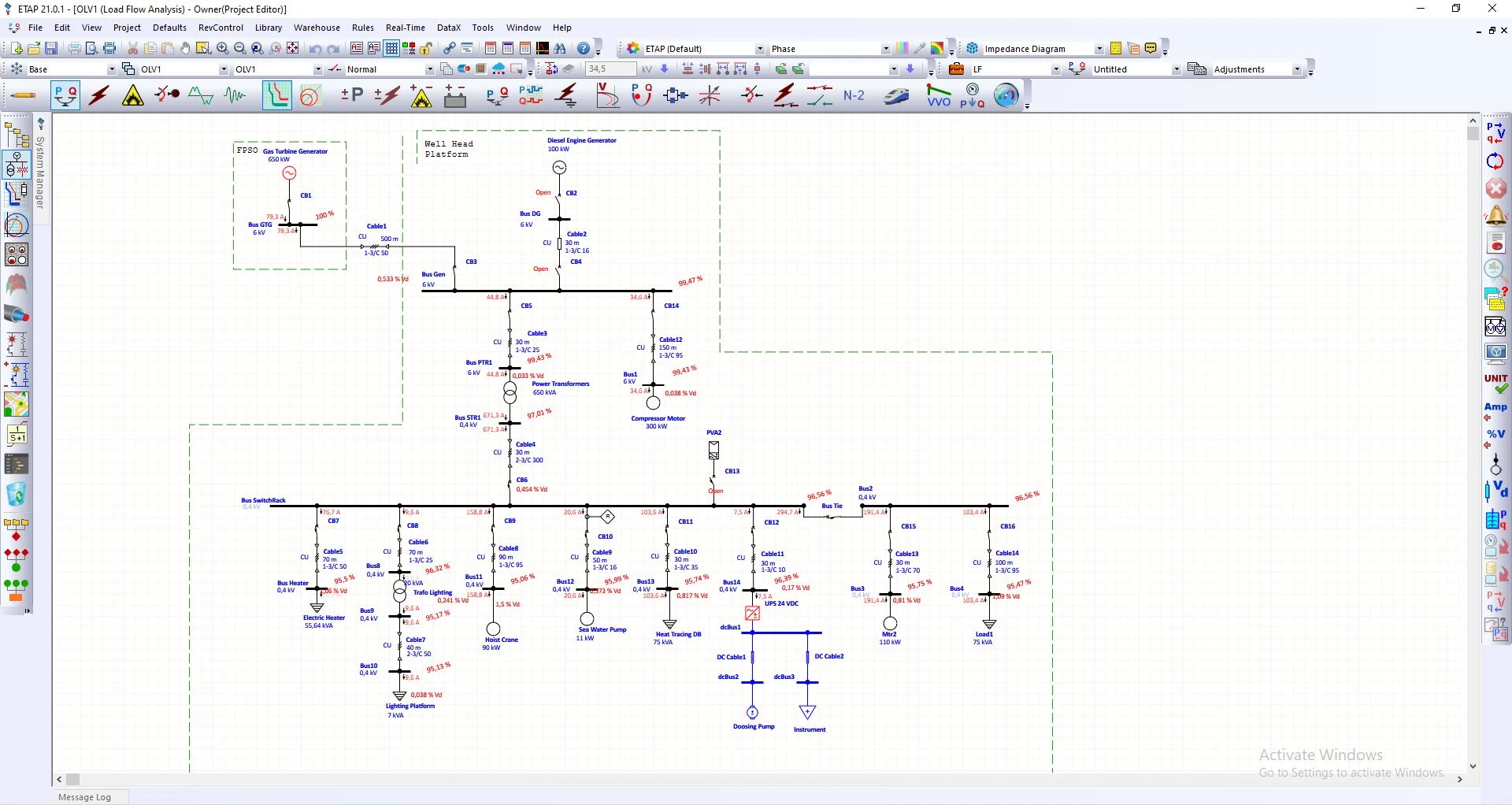
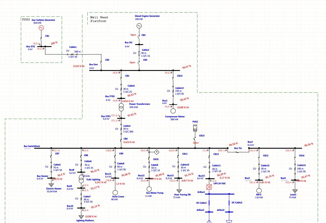
Analisis Sistem Kelistrikan
- Menggunakan Software ETAP
- Load List
- Cable Sizing
- Drop Voltage
- Short Circuit
- Harmonic
- Transient Stability Analisys
- Arc Flash Study

Drawing Dokumen Kelistrikan
- Menggunakan Software AUTOCAD ELECTRICAL
- Substation Drawing
- Panel Design & Drawing
- Single Line Diagram
- 3 Line Diagram
- Schmeatic Diagram
- Cable Schedule & Routing
- Interconections

MEP Design & Calculation
- Software REVIT 2D, 3D & Isometric
- Design System Kelistrikan Rumah Tinggal
- Design System Kelistrikan Bangunan Publik
- Design System Kelistrikan Bangunan Industri
- Design Plumbing & Water Pump Analisys
- CCTV Design
- Telephone Design
- Maintenance contract
- HVAC System

Perencanaan Pencahayaan
- Software ReLUX & DiaLUX Evo
- Pencahayaan Rumah Tinggal
- Pencahayaan Bangunan Komersial
- Pencahayaan Industri
- Design Tata Letak Armature Lampu
- Product 2D & 3D
- Analisa Luminasi Pencahayaan

Project Report & Perencanaan (RAB & BOQ)
- Software Microsoft Office
- Perencaanaan RAB Semua Pekerjaan
- Harga Disesuaikan Dengan Pasar
- Membantu Membuat Report Project
- Membantu Segala Bentuk Administrasi Project Lainnya (invoice , penawaran , dll)
SIAP UNTUK MEMULAI MENDESIGN KELISTRIKAN?
Hubungi kami untuk konsultasi gratis. Team kami siap memberikan solusi terbaik untuk analisis listrik Anda.
